Nei sistemi elettronici, la purezza e l'accuratezza dei segnali determinano direttamente le prestazioni dei dispositivi. Filtri elettronici composti daamplificatori operazionali (operazionali)sono diventati un "ponte" che collega segnali originali e informazioni valide, grazie alla loro capacità di filtrare con precisione le frequenze dei segnali. Dal semplice filtraggio dell'ondulazione dell'alimentatore alla complessa demodulazione del segnale di comunicazione, questi filtri attivi, attraverso l'ingegnosa combinazione di amplificatori operazionali, resistori e condensatori, raggiungono la ritenzione o l'attenuazione dei segnali a frequenze specifiche. Non solo risolvono gli inconvenienti dei filtri passivi, come la debole capacità di carico e le curve caratteristiche delicate, ma garantiscono anche stabilità e affidabilità nel processo di elaborazione del segnale attraverso le caratteristiche di ingresso ad alta impedenza e di uscita a bassa impedenza degli amplificatori operazionali. Questo articolo risolverà sistematicamente i concetti di base, le classificazioni, i principi di funzionamento e gli scenari applicativi dei filtri operazionali, fornendo una prospettiva completa dalla teoria all'applicazione per la pratica dell'ingegneria elettronica.
Cos'è un filtro elettronico che utilizza amplificatori operazionali?
Un filtro elettronico composto da amplificatori operazionali (operazionali)è un circuito che elabora selettivamente i componenti di frequenza dei segnali elettrici in ingresso, con amplificatori operazionali come dispositivi attivi principali, combinati con componenti passivi come resistori e condensatori. Rispetto ai filtri passivi costituiti esclusivamente da resistori, induttori e condensatori, questi filtri attivi offrono vantaggi come guadagno controllabile, elevata capacità di carico e la capacità di ottenere caratteristiche di filtraggio ripide senza induttori di grandi dimensioni. L'elevata impedenza di ingresso e la bassa impedenza di uscita degli amplificatori operazionali isolano efficacemente l'impatto delle sorgenti di segnale e dei carichi sulle prestazioni di filtraggio, rendendo i filtri moduli chiave nelle apparecchiature di comunicazione, nella strumentazione, nell'elaborazione audio e in altri campi.
Il ruolo dei filtri elettronici
I filtri elettronici svolgono molteplici ruoli chiave nei sistemi elettronici:
Purificazione del segnale:I segnali di uscita del sensore sono spesso mescolati con vari rumori ad alta frequenza; i filtri possono eliminare questi rumori per rendere chiari i segnali utili. Ad esempio, nell'uscita di un sensore di temperatura, i filtri possono rimuovere le interferenze ad alta frequenza introdotte dal circuito, rendendo i dati di temperatura più accurati.
Selezione della frequenza:Nei sistemi di comunicazione, i segnali di canali diversi vengono trasmessi a frequenze diverse; i filtri possono selezionare da essi i segnali della frequenza target per evitare interferenze tra canali. Proprio come una radio riceve programmi di frequenze diverse sintonizzando filtri diversi.
Protezione anti-interferenza:Negli ambienti industriali sono presenti numerose interferenze elettromagnetiche; i filtri possono impedire a questi segnali di interferenza di entrare in circuiti sensibili, garantendo un funzionamento stabile del sistema. Ad esempio, nelle apparecchiature di controllo dell'automazione, i filtri possono resistere alle interferenze ad alta frequenza generate all'avvio dei motori.
Formatura del segnale:Durante la trasmissione dei dati, i segnali diventano distorti dopo la trasmissione a lunga distanza; i filtri possono ritagliarli per ripristinare la forma originale dei segnali, garantendo una ricezione accurata dei dati.
Diversi tipi di filtri elettronici
I filtri elettronici possono essere classificati in base al tipo di segnali che elaborano e ai requisiti applicativi.
Tipi di filtro per elaborazione del segnale:
Filtri analogici: Questi filtri gestiscono segnali analogici continui. Sono comunemente usati nelle trasmissioni tradizionali e nelle apparecchiature audio. Manipolando direttamente le ampiezze del segnale, i filtri analogici sono particolarmente adatti per applicazioni in tempo reale.
Filtri digitali: Questi elaborano segnali discreti digitalizzati e sono ampiamente utilizzati nei moderni dispositivi di comunicazione e nei sistemi informatici. Eseguono operazioni matematiche sui dati del segnale, offrendo flessibilità e precisione in applicazioni come l'elaborazione audio e le telecomunicazioni.
Tipi di filtro per banda di frequenza:
Filtri passa-basso: Consentono il passaggio dei segnali a bassa frequenza sopprimendo quelli ad alta frequenza. Sono altamente efficaci nell'eliminare il rumore e le interferenze dai segnali. Ad esempio, i filtri passa-basso possono purificare le uscite dei sensori rimuovendo il rumore ad alta frequenza.
Filtri passa-alto: Consentono il passaggio dei segnali ad alta frequenza e l'attenuazione dei segnali a bassa frequenza o CC. Vengono spesso utilizzati per il pre-potenziamento del segnale, ad esempio per enfatizzare i bordi nell'elaborazione delle immagini o eliminare il ronzio nei segnali audio.
Filtri passa banda: Consentono il passaggio dei segnali all'interno di una gamma di frequenza specifica sopprimendo quelli al di fuori di questa gamma. Sono adatti per applicazioni che richiedono la selezione della frequenza e l'estrazione del segnale, come la sintonizzazione di ricevitori radio su stazioni specifiche.
Filtri elimina-banda: Sopprimono i segnali all'interno di una banda di frequenza specifica consentendo il passaggio dei segnali all'esterno della banda. Vengono utilizzati in scenari in cui è necessario bloccare una gamma di frequenza specifica, ad esempio eliminando le interferenze della linea elettrica nelle apparecchiature audio.
Filtri passatutto: Hanno una risposta in frequenza piatta e non attenuano alcuna frequenza. Sono utilizzati per la correzione di fase, il ritardo e l'equalizzazione del ritardo piuttosto che per il filtraggio tradizionale.
Tecniche e componenti di progettazione:
Filtri passivi: Composti da resistori, induttori e condensatori, questi filtri non contengono componenti attivi come transistor o amplificatori. Sono semplici nella struttura, economici e stabili, comunemente utilizzati nelle applicazioni RF e negli alimentatori.
Filtri attivi: Questi includono componenti di amplificazione elettronica come amplificatori operazionali, che consentono il miglioramento dei segnali deboli. Sono adatti per applicazioni che richiedono l'amplificazione del segnale e possono ottenere prestazioni più elevate e caratteristiche di risposta più complesse rispetto ai filtri passivi.
Tipi di montaggio:
Filtri di bordo: Sono direttamente integrati nei circuiti stampati, utilizzati in dispositivi e sistemi in cui lo spazio e l'integrazione sono considerazioni critiche.
Filtri a pannello: Più grandi e autonomi, questi filtri sono generalmente montati su rack o pannelli, separati dal circuito principale. Sono ideali per applicazioni che richiedono ispezione e manutenzione convenienti.
Filtri specializzati:
Filtri di Chebyshev: Presentano increspature nella banda passante o nella banda stop, fornendo una migliore precisione di controllo all'interno di gamme di frequenza specifiche. Sono adatti per applicazioni che richiedono caratteristiche di taglio netto.
Filtri gaussiani: Si tratta di filtri passa-basso lineari e uniformi che utilizzano funzioni gaussiane per la selezione del peso. Rimuovono efficacemente il rumore gaussiano e vengono utilizzati per la riduzione del rumore nell'elaborazione del segnale o dell'immagine.
Filtri passa-basso
Struttura di base:Composto da un amplificatore operazionale, un resistore e un condensatore. Un comune filtro passa-basso del primo ordine ha una struttura semplice, contenente solo un amplificatore operazionale, un resistore e un condensatore. L'amplificatore operazionale qui svolge il ruolo di amplificazione e buffering, rendendo più stabile l'uscita del filtro.
Principio di funzionamento:Quando la frequenza del segnale di ingresso è inferiore alla frequenza di taglio, la reattanza capacitiva è elevata e il segnale viene trasmesso principalmente attraverso il resistore, emettendo quasi senza attenuazione; quando la frequenza è superiore alla frequenza di taglio, la reattanza capacitiva diminuisce bruscamente, la maggior parte del segnale viene deviata dal condensatore e il segnale di uscita viene notevolmente attenuato.
Scenari applicativi:Comunemente utilizzato nell'ottimizzazione dei bassi di apparecchiature audio, nel filtraggio dell'ondulazione dell'alimentatore, ecc. Ad esempio, negli alimentatori CC, i filtri passa-basso possono filtrare i componenti CA per fornire un'uscita CC stabile.

Filtri passa-alto
Struttura di base:Composto anch'esso da un amplificatore operazionale, un resistore e un condensatore, ma la modalità di connessione del condensatore e del resistore è diversa da quella dei filtri passa-basso. In un filtro passa-alto del primo ordine, il condensatore è collegato in serie nel percorso del segnale e il resistore è collegato a terra.
Principio di funzionamento:Per i segnali ad alta frequenza, la reattanza capacitiva è piccola, quindi il segnale può passare agevolmente attraverso il condensatore fino all'estremità di uscita; mentre i segnali a bassa frequenza sono difficili da far passare a causa della grande reattanza capacitiva, e la maggior parte di essi è messa a terra attraverso il resistore, realizzando così la soppressione dei segnali a bassa frequenza.
Scenari applicativi:Ampiamente utilizzato nella regolazione degli acuti delle apparecchiature audio, nell'eliminazione dell'offset CC, ecc. Negli amplificatori audio, i filtri passa-alto possono rimuovere il rumore a bassa frequenza nei segnali audio, rendendo gli acuti più chiari.
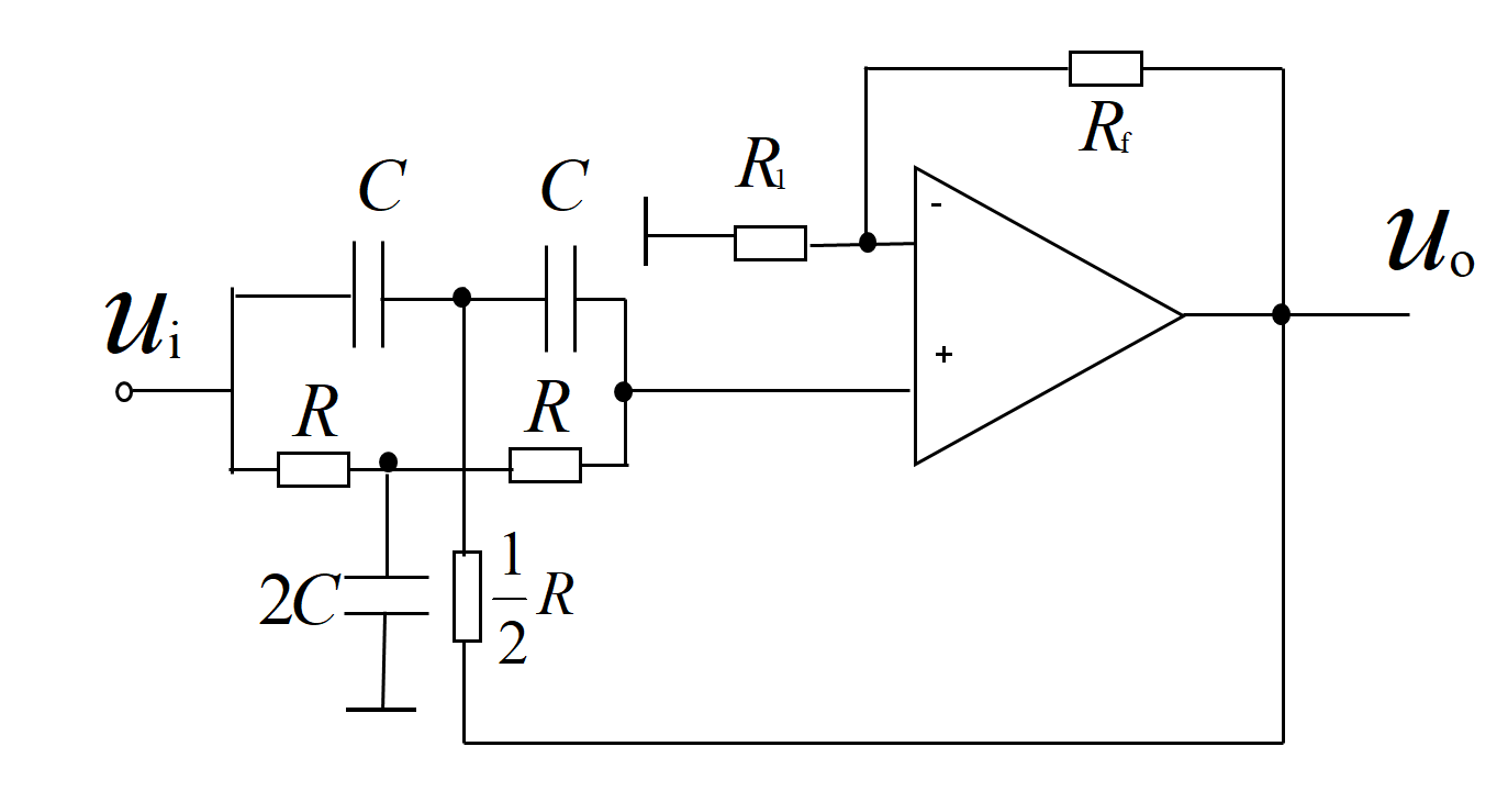
Filtri passa banda
Un filtro passa banda può consentire il passaggio dei segnali entro uno specifico intervallo di frequenza. Questa gamma di frequenza è determinata dalla frequenza di taglio inferiore e dalla frequenza di taglio superiore e la banda di frequenza tra di loro è chiamata banda passante.

Schema elettrico del filtro passa-banda
Struttura di base:Può essere formato collegando in serie un filtro passa basso e un filtro passa alto. L'intervallo della banda passante viene determinato impostando in modo ragionevole le frequenze di taglio dei due filtri. L'amplificatore operazionale non solo fornisce la funzione di amplificazione ma combina bene anche le caratteristiche dei due filtri.
Principio di funzionamento:Quando la frequenza del segnale di ingresso rientra nella banda passante, può passare sia attraverso il filtro passa-alto che attraverso il filtro passa-basso, emettendo così un'uscita uniforme; quando la frequenza è inferiore alla frequenza di taglio inferiore, viene soppressa dal filtro passa-alto; quando la frequenza è superiore alla frequenza di taglio superiore, viene attenuata dal filtro passa basso.
Scenari applicativi:Utilizzato nei sistemi di ricezione delle comunicazioni per estrarre segnali portanti di frequenze specifiche; nelle apparecchiature mediche, come gli elettrocardiografi, per schermare componenti di frequenza specifici dei segnali elettrici cardiaci.
Filtri elimina-banda
Il ruolo di un filtro elimina banda è quello di bloccare i segnali all'interno di uno specifico intervallo di frequenza, definito anche dalle frequenze di taglio inferiore e superiore, e questa banda di frequenza è chiamata banda di arresto.

Schema elettrico del filtro di arresto della banda
Struttura di base:Solitamente composto da un filtro passa basso e un filtro passa alto collegati in parallelo. L'amplificatore operazionale qui svolge il ruolo di sovrapposizione del segnale, sintetizzando i segnali di uscita dei due filtri.
Principio di funzionamento:Quando la frequenza del segnale di ingresso rientra nella banda di arresto, non può passare né attraverso il filtro passa-basso né attraverso il filtro passa-alto, quindi il segnale di uscita viene attenuato in modo significativo; quando la frequenza è inferiore alla frequenza di taglio inferiore, può essere emessa attraverso il filtro passa-basso; quando la frequenza è superiore alla frequenza di taglio superiore, può essere emessa attraverso il filtro passa-alto.
Scenari applicativi:Utilizzato principalmente per eliminare le interferenze di frequenze specifiche, ad esempio filtrando le interferenze della frequenza di alimentazione di 50 Hz o 60 Hz nei sistemi di alimentazione; rimozione del rumore di frequenze specifiche nell'elaborazione audio.
Conclusione
Con il continuo sviluppo della tecnologia elettronica, i requisiti prestazionali dei filtri diventano sempre più elevati, come bande passanti più strette e caratteristiche di roll-off più ripide. In futuro, i filtri ibridi che combinano la tecnologia di elaborazione del segnale digitale potrebbero diventare una tendenza di sviluppo, espandendo ulteriormente i loro campi di applicazione. Padroneggiare i principi di funzionamento e i metodi di progettazione di questi filtri è fondamentale per gli ingegneri elettronici, poiché può fornire una solida base per la progettazione e l'ottimizzazione di vari sistemi elettronici.
Prodotti più venduti di SIC
71421LA55J8 UPD44165184BF5-E40-EQ3-A SST39VF800A-70-4C-B3KE IS66WV1M16DBLL-55BLI-TR AS4C32M16SB-7BIN W25Q16FWSNIG
AS7C34098A-20JIN 752369-581-C W957D6HBCX7I TR IS61LPS12836EC-200B3LI MX25L12875FMI-10G QG82915PL
Le informazioni sul prodotto provengono daSIC Elettronica limitata. Se sei interessato al prodotto o hai bisogno dei parametri del prodotto, puoi contattarci online in qualsiasi momento o inviarci un'e-mail: sales@sic-chip.com.
Domande frequenti sui filtri dell'amplificatore operazionale [FAQ]
Concetti di base e classificazione
Cos'è un filtro amplificatore operazionale?
Un filtro amplificatore operazionale è un circuito elettronico composto da un amplificatore operazionale come dispositivo attivo principale, combinato con componenti passivi come resistori e condensatori. Viene utilizzato per far passare o attenuare selettivamente componenti di frequenza specifici del segnale di ingresso e può essere suddiviso in passa basso, passa alto, passa banda, elimina banda e altri tipi.
Quali sono le principali differenze tra filtri attivi e filtri passivi?
I filtri attivi includono componenti attivi come amplificatori operazionali e presentano i vantaggi di guadagno controllabile, forte capacità di carico e capacità di ottenere caratteristiche di filtraggio ripide senza induttori di grande volume; i filtri passivi sono costituiti esclusivamente da resistori, induttori e condensatori, con una struttura semplice ma a guadagno fisso e sono fortemente influenzati dal carico.
Parametri di prestazione
A cosa si riferisce la frequenza di taglio di un filtro?
La frequenza di taglio si riferisce alla frequenza alla quale la potenza del segnale viene attenuata di 3 dB, che è il confine che divide la banda passante e la banda stop. Ad esempio, la frequenza di taglio di un filtro passa-basso è il punto critico in cui i segnali ad alta frequenza iniziano ad attenuarsi in modo significativo.
In che modo l'ordine di un filtro influisce sulle sue prestazioni?
L'ordine è determinato dal numero di componenti di accumulo di energia (condensatori, induttori) nel circuito. Più alto è l'ordine, più ripida è la curva caratteristica del filtraggio e più veloce è la velocità di attenuazione dei segnali nella banda di arresto (ad esempio, la velocità di attenuazione di un filtro del primo ordine è di 20 dB per decade e quella di un filtro di secondo ordine è di 40 dB per decade).
Come misurare la selettività di un filtro?
Per i filtri passa banda e elimina banda, la selettività può essere misurata dal fattore di qualità (valore Q). Maggiore è il valore Q, più stretta è la banda passante (o banda stop) e maggiore è la precisione dello screening per frequenze specifiche.
Progettazione e applicazione
Quando si progetta un filtro passa-basso, come selezionare i valori di resistore e condensatore?
Può essere calcolata in base alla frequenza di taglio target fc tramite la formula fc=1/2πRC. Ad esempio, se è richiesta una frequenza di taglio di 1kHz, è possibile selezionare una combinazione di un resistore da 15,9kΩ e un condensatore da 10nF (R=1/2πfcC).
Perché i filtri passa-alto possono eliminare l'offset CC?
I filtri passa-alto attenuano in modo significativo i segnali a bassa frequenza (compresi i segnali CC con frequenza pari a 0). I segnali CC vengono soppressi poiché non possono passare attraverso il condensatore in serie, eliminando così l'offset CC.
Come viene determinato l'intervallo della banda passante di un filtro passa banda?
È determinato congiuntamente dalla frequenza di taglio inferiore (fBasso) e la frequenza di taglio superiore (falto). La banda passante è la gamma di frequenze da fBassoa falto, che di solito viene realizzato collegando in cascata un filtro passa-alto (impostazione fBasso)e un filtro passa-basso (impostazione falto).
In quali scenari vengono utilizzati più comunemente i filtri elimina banda?
Vengono utilizzati principalmente per sopprimere segnali di interferenza di frequenze specifiche. Ad esempio, filtrando le interferenze della frequenza di alimentazione di 50 Hz/60 Hz nelle apparecchiature audio e bloccando i segnali di interferenza dei canali adiacenti nei sistemi di comunicazione.
Problemi pratici di utilizzo
La tensione di alimentazione dell'amplificatore operazionale influisce sulle prestazioni del filtro?
Sì, lo fa. La tensione di alimentazione determina l'ampiezza massima del segnale che il filtro può gestire. Se l'ampiezza del segnale in ingresso supera l'intervallo di alimentazione, potrebbe causare una distorsione del segnale; allo stesso tempo, anche le caratteristiche della risposta in frequenza di alcuni filtri cambieranno con la tensione di alimentazione.
Come ridurre l'interferenza del rumore del filtro?
Durante il layout, il percorso del segnale dovrebbe essere breve e rettilineo, lontano da fonti di rumore ad alta frequenza; selezionare amplificatori operazionali a basso rumore, impostare condensatori di disaccoppiamento dell'alimentazione ragionevoli; per applicazioni ad alta precisione è possibile adottare misure di schermatura per ridurre le interferenze elettromagnetiche.
Come gestire i pin dell'amplificatore operazionale inutilizzati?
Evitare che i pin inutilizzati dell'amplificatore operazionale vengano lasciati fluttuanti. L'ingresso non invertente può essere messo a terra, l'ingresso invertente può essere messo a terra tramite un resistore e l'uscita può essere cortocircuitata con l'ingresso invertente (formando un inseguitore di guadagno unitario) per evitare che le interferenze incidano su altri circuiti.
Qual è la relazione tra la larghezza di banda del filtro e la velocità di elaborazione del segnale?
Maggiore è la larghezza di banda, maggiore è la gamma di frequenze del segnale che il filtro può gestire, adatta per l'elaborazione del segnale ad alta velocità; ma una larghezza di banda eccessivamente ampia può introdurre più rumore, quindi è necessario selezionare un filtro con una larghezza di banda adeguata in base all'effettiva gamma di frequenza del segnale.






Lista dei desideri (0 articoli)