SIC
close
  • Casa
  • Blog
  • Circuito integrato AD9865BCPZ

ILAD9865BCPZ è un MxFE altamente integratoCIRCUITO INTEGRATOper applicazioni ricetrasmettitori che richiedono funzionalità di percorso di trasmissione e ricezione. Progettato per applicazioni ricetrasmettitori che richiedono velocità dati fino a 80 MSPS, integra funzionalità di percorso di trasmissione e ricezione. Offre un'interfaccia digitale flessibile, modalità di risparmio energetico e un elevato isolamento tra trasmissione e ricezione. La sua interfaccia digitale flessibile, le modalità di risparmio energetico e l'elevato isolamento tra trasmissione e ricezione lo rendono ideale per applicazioni half-duplex e full-duplex. L'interfaccia digitale è altamente flessibile e consente una connessione diretta ai backend digitali che supportano la trasmissione dati half-duplex o full-duplex. Ciò in genere consente aAD9865BCPZper sostituire le soluzioni ADC e DAC discrete. I moltiplicatori di clock e i sintetizzatori PLL su chip forniscono tutto il necessario internoorologi, insieme a due orologi esterni da un oscillatore a cristallo singolo o sorgente di orologio.


AD9865BCPZBCPZ Dettagli

AD9865BCPZ.jpg


Codice prodottoProduttoreScheda datiAzionedistributorePrezzoContatto
AD9865BCPZDispositivi analogici Inc.Scheda tecnica AD9865BCPZ15000Elettronica SICAggiornamentosales@sic-components.com


AD9865BCPZBCPZCaratteristiche

AD9865BCPZBCPZ’s  FEATURES .png

CMOS MxFETM da 3,3 V a basso costo per modem a banda larga Convertitore D/A a 10 bit Filtro di interpolazione 2×/4×

Velocità di aggiornamento DAC di 200 MSPS

Driver di linea integrato da 23 dBm con controllo del guadagno di 19,5 dB Convertitore A/D a 10 bit, 80 MSPS

RxPGA a basso rumore da −12 dB a +48 dB (< 3,0 nV/rtHz)

Filtro passa-basso programmabile del terzo ordine

Interfaccia flessibile del percorso dati digitale

Funzionamento half e full duplex

Compatibile con le versioni precedenti con AD9975 e AD9875

Varie modalità di spegnimento/riduzione

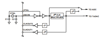
Moltiplicatore dell'orologio interno (PLL)

2 uscite orologio ausiliarie programmabili

Disponibile in package scala chip a 64 conduttori o die nudo


Caratteristiche del percorso del segnale di trasmissione di AD9865BCPZ


Il percorso del segnale di trasmissione include un filtro di interpolazione passa-basso 2x/4x bypassabile, un TxDAC a 10 bit e un line driver.

La larghezza di banda del segnale del percorso di trasmissione raggiunge 34 MHz con una velocità dati in ingresso di 80 MSPS.

Il TxDAC fornisce un'uscita di corrente differenziale in grado di pilotare direttamente carichi esterni o amplificatori di corrente interni a bassa distorsione.

L'amplificatore di corrente (IAMP) può essere configurato come driver di linea in modalità corrente o tensione (utilizzando due transistor NPN esterni), in grado di fornire una potenza del segnale di picco superiore a 23 dBm.

La potenza di trasmissione è controllata digitalmente su una gamma di 19,5 dB con incrementi di 0,5 dB.


Ricevere le caratteristiche del percorso del segnale diAD9865BCPZ


Receive Signal Path Characteristics of the AD9865BCPZ.png



Il percorso del segnale di ricezione comprende un amplificatore a guadagno programmabile (RxPGA), un filtro passa-basso regolabile (LPF) e un ADC a 10 bit.

L'RxPGA a basso rumore presenta una gamma di guadagno programmabile da -12 dB a +48 dB con incrementi di 1 dB.

Con impostazioni di guadagno superiori a 36 dB, il rumore di riferimento in ingresso è inferiore a 3 nV/√Hz.

La frequenza di taglio LPF del percorso di ricezione può essere impostata nell'intervallo compreso tra 15 MHz e 35 MHz o semplicemente bypassata.

L'ADC a 10 bit raggiunge eccellenti prestazioni dinamiche su un intervallo compreso tra 5 MSPS e 80 MSPS.

Sia RxPGA che ADC forniscono un consumo energetico scalabile, consentendo l'ottimizzazione di potenza e prestazioni.



Alimentazione e specifiche digitali per ilAD9865BCPZ


Power Supply and Digital Specifications for the AD9865BCPZ.png


Le specifiche dell'alimentatore AD9865BCPZ includono la corrente di alimentazione analogica, la corrente di alimentazione digitale e la corrente di alimentazione totale.

Nel funzionamento full duplex la corrente di alimentazione totale varia da 406 a 475 mA.

Anche il consumo energetico è ridotto nel funzionamento half-duplex, con 112-130 mA in modalità di trasmissione e 225-253 mA in modalità di ricezione.

Il consumo energetico da parte dei blocchi funzionali include RxPGA e LPF, ADC, TxDAC, IAMP (programmabile), riferimento, clock PLL e sintetizzatore.

Il consumo energetico massimo consentito è 1,66 W, con una corrente di alimentazione totale di 13 mA in modalità standby.


Specifiche di interfaccia digitale e temporizzazione perAD9865BCPZ


Digital Interface and Timing Specifications for the AD9865BCPZ.png

Specifiche di ingresso e uscita logici CMOS, tra cui alta tensione di ingresso, bassa tensione di ingresso, corrente di dispersione di ingresso, capacità di ingresso, ecc.

I tempi di salita/discesa in uscita sono specificati in varie condizioni di carico.

La larghezza minima dell'impulso basso per il segnale di ripristino è un ciclo di clock.

Specifiche di temporizzazione dell'operazione di scrittura della porta seriale, inclusa la frequenza di clock SCLK, l'ora alta dell'orologio SCLK, l'ora bassa dell'orologio SCLK, ecc.


Aree di applicazione e supporto tecnico per AD9865BCPZ


Utilizzato nelle reti elettriche, VDSL, HPNA e altri campi. Il supporto tecnico è disponibile tramite il sito Web di Analog Devices, garantendo agli utenti di ricevere assistenza tecnica e risorse tempestive.


AD9865BCPZCategoria del chip:

·RF/IF e RFID

·Front-end RF (LNA + PA)



Prodotti correlati:


AD9515BCPZ  AD9865BCP  AD9515BCPZ  AD9745BCPZ   

AD9265BCPZ-125   AD9265BCPZ-105   AD9866BCPZ  AD9869BCPZ

AD9965BCPZ  AD9867BCPZ  AD9864BCPZ

 




Precedente:LM317MDCYR e LM317DCYR: analisi approfondita di due regolatori di tensione regolabili di precisione
L'LM317MDCYR e l'LM317DCYR si distinguono come modelli rappresentativi per applicazioni miniaturizzate e per scopi generali....
Non esiste una pagina successiva
  • Daily average RFQ Volume

    2000+

    Volume medio giornaliero delle richieste di offerta

  • Standard Product Unit

    30.000.000

    Unità di prodotto standard

  • Worldwide Manufacturers

    2800+

    Produttori mondiali

  • In-stock Warehouse

    15.000 mq2

    Magazzino in stock